Atlas-210x/215x AGC Modification
![]()

AGC
|
The first version. |
|
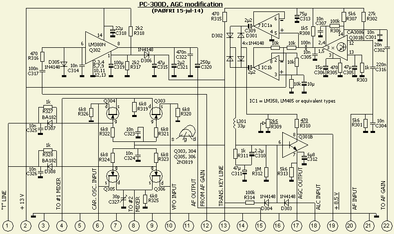
The AGC in the Atlas series is produced by rectification and doubling of the audio signal. This system works slower than an equivalent AGC rectified from a HF or IF signal.
Better is a double phase rectification.
[My designs have the advantage that there is nothing to be changed on a board, since the additional components can be mounted at (fig») the tracked side.]
The opamp works for the low frequency signal as a phase shifter of 180 °. Two additional 1N4148 diodes and D310, D302 act as a bridge rectifier. A diode to the non-inverting input is needed to get the same DC on both inputs of the opamp.
|
The improved version. |
|
Preferably the diodes should be driven by a source with low impedance.
In the first design, only two diodes are driven with low impedance. Therefore the idea arose to add an inverting buffer and use a 8 pin DIL with 2 opamp.
|
A SMD sub board is less conspicuous and a space saving installation. AGC voltage at point A: Non signal = 4.36 V, with S9 + 40db = 6.04 V. Voltage point B: Non signal = 5.06 V, withe S9 +40db = 6.77 V. |
Both AGC modifications improve the handling of strong signals. The receiver is calmer with less distortion because the AGC source is now loaded with higher impedance.
Note resistor R315 (PC-300C) or R309 (PC-300D) do not have the same value and numbering in both designs.
Atlas has never been consistent with the numbering of components at various changes to their schematics. The modifications were not always updated in their OPRERATION INSTALLATION AND MAINTENANCE. It happens that a PCB does not correspond to the publicised schematic. Even two of my PC-300C PCBs have differences in their schematic design.

The improved version mounted in 3 Atlas transceivers.
The voltage at pin 5 of Q201 PC-200 should not be more than ± 4 V
for the proper functioning of the AGC. Because this pin is connected via 2.2 kΩ to pin 7 of Q301B, the two points almost have the same voltage. If the antenna is disconnected the voltage at point A (pin7 Q301B) is 4.36 V with R315 (PC-300C), R309 (PC-300D)= 1.5 kΩ.The enhanced effect was later confirmed when I came into the possession of an Atlas-215x. When listening to the 80 m band the audio was distorted receiving a strong signal. When the original PC-300C was replaced by the already modified PC-300B, there was no distortion.

PC-300D drawn with correct component numbers. The exclamation marks the main difference with PC-300D.

PC-300D enhanced with improved AGC.
More articles about the de Atlas series
General information VFO stabilizer Post mixer amplifier Speech processor 17m modification![]()